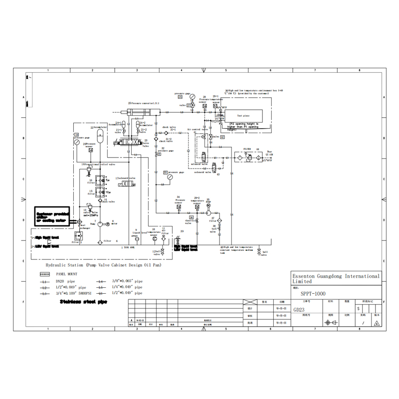
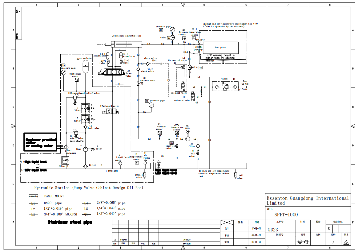
PID 管道和仪表图

PID Piping & Instruments Diagram

PID Piping & Instruments Diagram

PID Piping

找不到你要系统及设备

需要定制的方案?

联系我们

Tel.: +86 769 8185 5667

Mob.: +86 134 1596 1411

Fax: +86 769 8185 5569

E-mail: Sarah@essenton.com

WhatsApp: +86 134 1596 1411

WeChat: +86 134 1596 1411

地址: 广东省东莞市茶山镇南塘路7号

版权 © 广东艾森国际贸易有限公司 版权所有 | 网站地图 | 供电 Reanod 备案号:粤ICP备2024205852号-1